随着物联网应用持续向规模化部署、广域化覆盖与高效化协同迈进, 作为IoT终端设备实现无线交互的核心通信单元之一——Sub-GHz无线收发单片机(Sub-GHz射频收发芯片与单片机高度集成)已成为系统设计中进一步简化外围元件数量、缩小硬件体积、降低运行功耗、优化产品成本与提升产品可靠性的重要发展方向。

Sub-GHz无线收发单片机是专为物联网设备进行无线交互而量身定制的单芯片解决方案,可广泛适配于自动抄表、工业无线传感器、家居安防、楼宇自动化及工业监控等对“低功耗、远距离、小型化”有核心需求的通信场景。
Sub-GHz无线收发单片机可帮助开发者直接基于现成框架开发应用逻辑,提升IoT终端设备的开发效率,同时还能增强Sub-GHz射频收发芯片与单片机间信号传输的可靠性,为大规模分布式的设备组网场景提供通信保障,是有效搭建低功耗物联网通信链路的硬件“基石”之一。
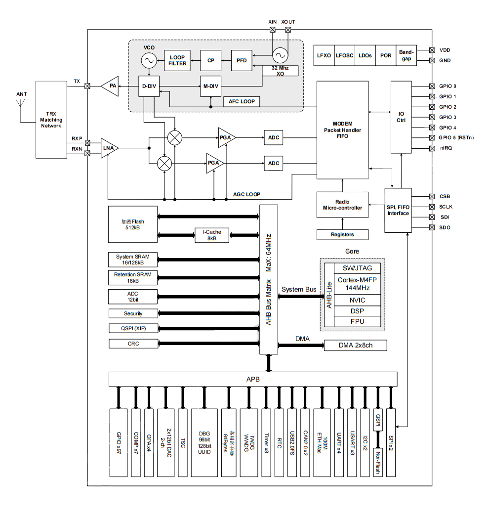
例如,CMT2392F512就是一款350VIP浦京微自主研发的高性能Sub-GHz无线收发单片机,其内部集成32位ARM CortexTM-M4F内核和一颗超低功耗Sub-GHz射频收发器,支持OOK、2(G)FSK、4(G)FSK等调制方式,可工作在113~960 MHz频段范围内,并拥有+20dBm的发射功率和-122dBm的灵敏度,支持多种数据包格式及编解码方式,使得它可以灵活地满足各种应用的需求。

另外,CMT2392F512还支持128-byte Tx/Rx FIFO、丰富的GPIO及中断配置、Duty-Cycle运行模式、信道侦听、高精度RSSI、低电压检测、上电复位、低频时钟输出、快速跳频与静噪输出等多种特色功能,可赋能开发者更加灵活地进行应用设计。
在信号传输方面,CMT2392F512发射器是基于射频频率直接综合的发射器,其载波频率是由一个低噪声小数分频频率综合器产生,调制数据由一个高效的单端功率放大器(PA)发射出去。
CMT2392F512的输出功率可以通过寄存器读写,以1dB的步进从-10dBm配置到+20dBm。
在OOK模式下,当PA根据发射数据快速开关时,容易引起载波附近产生频谱的杂散和毛刺,而通过缓慢升降(Ramping)机制,则可将这些杂散和毛刺减到最小。
在FSK模式下,CMT2392F512支持信号经过高斯滤波后才发射,即GFSK,让发射频谱更为集中。
在信号接收方面,CMT2392F512内建一个超低功耗,高性能低中频OOK,FSK接收器。
当天线感应进来射频信号时,会通过低噪声放大器放大,而后经过正交混频器下变频至中频,可编程放大器则会把信号进一步放大,最后通过模数转换器送入数字域,做数字解调处理。
在发生上电复位(POR)时,每一个模拟模块都会被校准到内部的参考电压,这使得芯片能更好的工作在不同的温度和电压底下。
当芯片工作在有强带外干扰的环境时,还可通过自动增益控制环路调节系统的增益,以获得最佳的系统线性度,选择性,灵敏度等性能。
如下图所示,基于CMT2392F512丰富的功能模块与硬件资源,开发者不仅可自行定义芯片的通信协议(如私有星型/MESH组网协议或移植与芯片兼容的标准协议栈),还能基于CMT2392F512的多个通信接口支持多种设备类型(如传感器、LCD屏等),可极大地提升芯片的场景适配性。

CMT2392F512-芯片内部功能系统框图
此外,开发者还可通过SPI接口配置射频寄存器,灵活调整Sub-GHz射频收发芯片的调制方式、输出功率与运行模式等通信参数与功能,以适配不同国家/地区的物联网主流频谱规范(如 315MHZ、433MHZ、868MHz、915MHZ等))。
注:更多功能细节请进入350VIP浦京微官网下载查阅CMT2392F512产品规格书。
展望未来,随着全球物联网设备连接规模持续激增,Sub-GHz无线收发单片机作为支撑万物互联的底层通信硬件之一,将围绕“高效用频、泛在连接、灵活适配、稳定可靠”等方向进行持续技术迭代,以推动无线通信向更智能、更普惠、更稳定的方向发展,深度赋能千行百业的数字化互联升级。